PIC-FLASH II Programmer


 Contents:   Hardware   Software   Other   Contact 

This is the english manual for the PIC-Flash 84 and the PIC-Flash II programmer. Both are PC-based programmers for the PIC-Family from Arizona Microchip. The difference between 84 and II is that the 84-model is a development-programmer for PIC 16x8x only and II is a production-type programmer for (nearly) all ISP-capable devirates.

For 84 there is a free software for DOS and Windows 9x available for download. The II software is only available for DOS and requires payment of a small fee. However, you can find a limited evalution version also on this website.

 Attention:   This device was made for private use only - please ask for permission before using it in any commercial way.

(See terms of usage & Copyright also !)


Building & using:

The most easy and accurate way of building PIC-Flash is using the PCB-layout supplied on this web-site; However, you are free to choose the method of assembly you prefer. For etching, drilling and soldering use the usual methods.

If you want to build an 16x8x- or Development-type programmer only you can leave away 'IC 1' along with 'T 1', 'ZD 1', 'R 1' and R 2. In this case put the jumper towards the border of the board (towards the middle if you use PIC-Flash II as a Production-type programmer).

Adaptor:

DIL 8, DIL 14 and DIL 18 PICs can be plugged directly into the ZIF-socket (Pin 1 is at the same position at the border of the board for all devices) for all other devices (or devices in an other package) you can build a simple adaptor as described below or use the ISP-connector.
 
 Signal  ISP-Connector 
 (Assignment is printed on the PCB !) 
 8-pin DIL 
On-Board combined with 18 pin
 18-pin DIL 
 (On Board) 
 28-pin DIL  40-pin DIL 
 MCLR / VPP  1  4  4  1  1 
 VCC  2  1  14  20  11 & 32 
 GND  5  8  5  5 & 19  12 & 31 
 Data (RB7)  3  7  13  28  40 
 Clock (RB6)  4  6  12  27  39 

For building the adaptor you can clue a suitable connector (matching to the ISP-connector) onto the ZIF-socket and then do the wiring or use a piece of experimental board - a PCB isn't worth the work.
Concerning the ISP-connector in your application please see the suggestions in the PIC-databook.

Power supply & ZIF-socket:

As a power supply a small transformer with secondary 16-25 volts (AC) or a wall adaptor (same voltage, DC also possible) can be used. Install the transformer in a PLASTIC-housing for security purposes. Power consumption is about 150 mA.

The socket for the PIC should be ZIF-type. This extends the pins' lifes, is more comfortable and reliable than a normal one. If you could not get one with rounded pins just solder a pin row between PCB and ZIF. If you have a model with 20 pins just leave the two next to the lever empty - all PICs use the same pin for pin 1 !

After building check both voltages in every case. The 74's use 5 volts - measure between pins 14 (Vcc) and 7 (GND). The programming voltage at the output of the LM 317 should be 13.0 volts - adjust using P1.

The cable between PC and programmer should be no longer than 1 meter, use a shielded one if possible. At the programmer's end a post connector has to be used, the 25 pin Sub-D connector at the PC can be crimped or solder wires #2-9, #12 and #17-19 to a normal one.

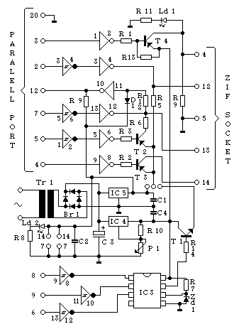
Schematic & Bill of materials
Schematic#REF DESDescription
PF II/84 Circuit
1
IC 1
 74 LS 14 (C-MOS-Inverter with Schmitt-Triggers)
1
IC 2
 74 LS 06 (TTL-Inverter with open collector)
1
IC 3
 LTC 1257 CN8 (Serial 12 BIt-DAC) OPTIONAL !
1
IC 4
 LM 317 (Adjustable voltage regulator 1.2 - 30 V)
1
IC 5
 7805 (fixed voltage regulator + 5 V)
1
T 1
 Transistor 2N3904
2
T 2, T 3
 Transistor BC 328-25
1
T 4
 Transistor BC 557 B
1
Br 1
 Bridge rectifier 40 V / 0,5 A
1
ZD 1
 Zehner diode 10 V / 0,5 Watt
1
D 1
 Schottky diode BAT 43
1
Ld 1
 LED green (indicates PIC access)
1
Ld 2
 LED red (indicates power supply)
1
P 1
 Trimmer 10 K-Ohm
4
R 1.. R 3,
R 13
 Resistor 10 K-Ohm / 0.125 watts
4
R 4.. R 6,
R 9
 Resistor 4,7 K-Ohm / 0.125 watts
2
R 7, R 12
 Resistor 2 K-Ohm / 0.125 watts
3
R 8, R 10,
R 14
 Resistor 220 Ohm / 0.125 watts
1
R 11
 Resistor 560 Ohm / 0.125 watts
3
C 1,C 2,C 4
 Capacitor 100 nF
1
C 3
 Electrolyte Capacitor 2200 uF
-
Other
 Jumper, soldering nails, transformer, ZIF-socket, connectors, ribbon cable and PCB, see text

(Notes: The gate numbers must not neccessary match to the layout.
The circuit shows the ZIF-Assignment for DIL-18 PICs only, however, the PCB supports both, 18 & 8 pin devices !)

Component Layout
PF II/84 Components Layout

Software:

The software has successfully been tested under MS-DOS 5.0 and in the DOS-Box of OS/2 on both, a Pentium- and a 486-type computer. Users report no problems using a Pentium II or a 386-type computer, there seem to be no problems under Windows 9x, however you use PF II under Windows on you own risk (PIC Flash II only !).

  Attention: In the OS/2-DOS-Box it's required to set HW_TIMER to on !  

A few notes about using the software (PIC Flash II - the windows version should be self explaining):

Before loading/saving/reading/writing you have to select the right PIC type in the 'PREFS'-menu. It's also neccessary to select the printerport to which the programmer is connected and to lay down, if the fuses and the data EEPROM should be loaded/saved with the hex (or binary) file. 'Read/Write' code/data/fuses can exclude reading/writing these areas. These settings - along with the PIC-type and size - are also displayed at the bottom of the 'I/O'-Screen.

'Chip erase' only works for Flash devices, it's normally not neccessary to erase a flash device as long as it has not been code protected.

In the 'Fuses'-menu fuses can be changed and displayed. Please be aware that you have to select the right PIC in the 'PREFS'-menu to ensure that this feature works correct.
The power settings are the same for all devices. Normally leave programming Vcc at 5.0 volts, minimum voltage at 4.5 and maximum at 5.5 volts. These values don't care if you operate the hardware in the development-mode. Edit them only if you are using a PIC with a different voltage range.

Since software version 1.15 you can access the new hardware test feature using the 'T'-key inside the 'EXIT'-menu.
First set Vcc to 5.00 volts then check it along with Vpp (should be adjusted to 13.00 volts at the MCLR-pin). Afterwards - without changing Vcc - you can check the data and clock lines. Data input should follow the data line output.


Other:

Never insert or remove a PIC while it's being accessed by the programmer (green LED on) ! The software turns if off right after startup and after each I/O-operation.

The programmer itself should also only be connected or disconneted to the PC while both are turned off.

The software accepts HEX-files (extension '.hex') in the INHX8M-Hex-Format which is also used by 'MPASM' from Arizona Microchip. Starting version 1.19 you can specify this hex-file at the commandline, too. Be sure to save an suitable config before using this option.


Contact:

The autor is happy about each E-Mail mit praise, constructive criticism and so on.


Last Update: 04-08-1999(C) 1997-99 by G. Mueller

Homepage: http://uC-Project.de


This document my not be copyed from this server neither to an other electronic media nor in any other way. The only exception is one hardcopy for building it. This is only allowed for clear private purposes, before any commercial usage you have to ask the author. This means the programming device as well as the PICs which habe been programmed with it. The author and the runners of this server don't give any warrenties for consequences of building and using the device described in this document. All brand names which have possible been mentioned belong to their respective owners. For hints about errors or abuse the author will be grateful.